并行分支結構的步進順控設計法
文章分享:并行分支結構的步進順控設計法。
并行分支結構
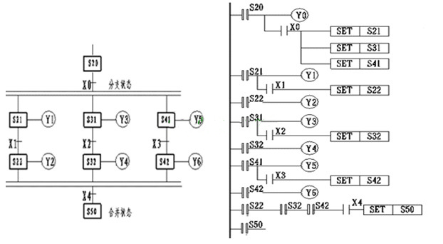
并行分支結構是指同時處理多個程序流程。圖中當S20步被激活成為活動步后,若轉換條件X0成立就同時執行左、中、右三支程序。
S50為匯合狀態,由S22、S32、S42三個狀態共同驅動,當這三個狀態都成為活動步且轉換條件X4成立時,匯合轉換成S50步。
并行性分支、匯合的編程
編程原則是先集中處理分支轉移情況,然后依順序進行各分支程序處理,最后集中處理匯合狀態,見圖所示,根據步近梯形圖可以寫出指令表程序。
圖 并行分支結構狀態轉移圖及其編程
并行性分支結構編程的注意事項
并行分支結構的匯合最多能實現8個分支的匯合。
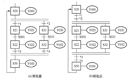
在并行分支、匯合處不允許有下圖(a)的轉移條件,而必須將其轉化為下圖(b)后,再進行編程。
圖 并行分支轉化
海藍機電為你提供機器人視覺、上位機軟件、自動化開發、機電設備維修等技術服務。
深圳市海藍機電設備有限公司(www.aiguoxiu.com)專業經營:三菱變頻器、三菱PLC、三菱觸摸屏、三菱伺服電機等工控自動化產品的批發和代理工作。
電話:0755-88356296(10線) 吳經理:13823726967
本文原創自:深圳海藍機電設備有限公司,轉載請注明出處:http://www.aiguoxiu.com/article/871.html.




評論信息