產品介紹
海藍機電專業銷售三菱原裝PLC,三菱原裝PLC模塊,價格優惠,大量現貨!FX3S-20MR-ES|100%原裝正品|原廠質保365天|三菱FX3S編程軟件免費下載|可提供解密服務|選型支持;服務熱線:400-8819-130、0755-88356415。
FX3S-20MR-ES用于代替FX1S-20MR-001。3S-20MR;重量:0.4kg
FX3S-20MR外形尺寸W*H*D[mm]:75*75*90
FX3S-20MR/ES參數說明:AC電源、12點DC24V(漏/源型)輸入,8點繼電器輸出
【FX3S-20MR-ES】價格:面價
三菱PLC FX3S-20MR-ES產品詳細說明
【FX3S-20MR-ES電源規格】
【電源電壓】:AC100~240V
【電源電壓允許范圍】:AC85~264V
【額定頻率】:50/60Hz
【允許瞬時停電時間】:對l0ms以下的瞬時停電會繼續運行
【電源保險絲】:250V 1A
【沖擊電流】:最大15A 5ms以下/AC100V,最大28A 5ms以下/AC200V
【消耗功率】:20W
【DC24V供給電源】:400mA
【FX3S-20MR-ES輸入規格】
【輸入形式】:DC24V輸入(漏/源型)
【輸入的連接方式】:固定式端子(M3螺絲)
【輸入點數】:12點
【輸入信號電壓】:DC24V +10%
【輸入信號電流】:7mA/DC24V(X010以后,5mA/DC24V)
【輸入ON電流】:4.5mA以上(X010以后,3.5mA/DC24V)
【輸入ON電流】:4.5mA以上
【輸入OFF電流】:1.5mA以下
【輸入響應時間】:約10ms
【輸入信號形式】:
漏型:無電壓觸點輸入或是NPN開電極品體管輸入
源型:無電壓觸點輸入或是PNP開電極品體管輸入
【回路絕緣】:光耦絕緣
【輸入動作表示】:輸入ON時LED燈亮
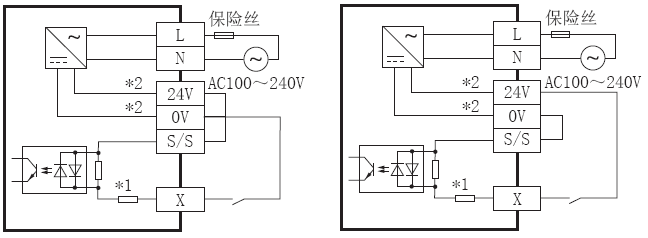
【AC電源型輸入回路的結構】
漏型輸入接線 源型輸入接線

【FX3S-20MR-ES輸出規格】
【輸出類型】:繼電器
【輸出點數】:8點
【輸出的連接方式】:固定式端子(M3螺絲)
【外部電源】:DC30V以下、AC240V以下(不符合CE、UL、cUL規格時為AC250V以下)
【最大電阻負載】:2A/1點
【最大感性負載】:80VA(符合U、cUL規格時為AC120V, 240V)
【最小負載】:DC5V 2mA
【響應時間】:約10ms
【回路絕緣】:機械隔離
【動作表示】:繼電器通電時面板上的LED燈亮
【輸出回路的結構圖】
我們的優勢:
【A】:深圳海藍機電設備有限公司10多年來一直專注于三菱原裝工控領域,專業代理原裝三菱plc、三菱變頻器、三菱伺服電機、三菱觸摸屏、減速機、機器人等原裝進口自動化產品,備有各類現貨庫存高達2000多種,100%原裝正品,假一罰十!
【B】:完善的售后服務體系,常規型號24小時內迅速發貨,物流部門本著"安全、高效、快捷”的服務理念,可滿足客戶的各類物流需求。
1、廣東省內客戶可滿足上午發貨,下午送達,下午發貨,第二天早上送達。
2、省外客戶可提供即日達、隔日達、普通快遞、物流等服務,滿足客服多樣化的需求,為您提供快捷速遞服務的同時,為您節約物流成本。
3、國外客戶可提供國際海運集裝箱拼箱運輸服務,可提供貼嘜頭、固定卡板、打木架等個性化服務。
【C】:所有產品咨詢、報價、貨期三分鐘內及時響應,公司客服及銷售人員經過嚴格的產品知識培訓,能為您提供產品選型、產品報價、產品介紹等專業的售前技術咨詢,還可提供編程軟件免費下載、編程入門、視頻教學、 技術培訓等,為您解決后顧之憂,提供一站式的優質服務。
【D】:雄厚的技術實力, 擁有專業、高效的技術團隊,所有技術人員均已通過三菱專業技術工程師的考核,可幫助客戶進行PLC程序設計、觸摸屏程序設計、伺服系統編程與調試,工程總包等,并根據您的現場需要提供技術上門支持, 省內客戶接到技術請求后3小時即可上門,為您的企業自動化插上展翅飛翔的翅膀。
【E】:專業的維修工程師團隊,365天免費保修,修復時間快、48小時內為您排憂解難,提供詳盡的維修解決方案,為您提供高效的售后維修服務。





